
硬密封蝶閥 當前位置: 法蘭閘閥廠家> 產品中心> 硬密封蝶閥> DS341X伸縮蝶閥
DS341X伸縮蝶閥適用于溫度≤80℃,公稱壓力≤1.6MPa的食品、醫藥、化工、石油、電力、輕紡、造紙等給排水、氣體管道上作調節流量和截流介質的作用,具有補償管道熱脹冷縮的功能。其主要特點如下:設計新穎、合理、結構獨Te、重量輕、操作方便、啟閉迅速。
DS341X伸縮蝶閥除了能作調節和截流作用、補償管道溫差所產生的熱脹冷縮功能外,還能為安裝更換、維修閥門提供方便。密封部位可調節更換、密封性能可靠等特點。
產品詳情
氣動伸縮蝶閥主要零件的材質
零件名稱  | 材料  | 
閥體  | 鑄鐵、鑄鋼、不銹鋼、鉻鉬鋼、合金鋼  | 
蝶板  | 鑄鋼、合金鋼、不銹鋼、鉻鉬鋼  | 
密封圈  | 橡膠、聚四氟、聚內脂、不銹鋼  | 
閥桿  | 2Cr13、不銹鋼、鉻鉬鋼  | 
伸縮管  | 鑄鐵、鑄鋼、不銹鋼、鉻鉬鋼  | 
填料  | 柔性石墨  | 
DS341X伸縮蝶閥主要技術參數
公稱通徑  | DN(mm)  | 50~2000  | ||
公稱壓力  | PN(MPa)  | 0.6  | 1.0  | 1.6  | 
試驗壓力  | 強度試驗  | 0.9  | 1.5  | 2.4  | 
密封試驗  | 0.66  | 1.1  | 1.76  | |
氣密封試驗  | 0.6  | 0.6  | 0.6  | |
適用溫度  | ≤80℃  | |||
適用介質  | 空氣、水、蒸氣、煤氣、油品等。  | |||
驅動形式  | 手動、蝸桿蝸輪傳動、氣傳動、電傳動。  | |||
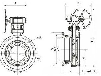
DS341X伸縮蝶閥結構圖

氣動伸縮蝶閥主要連接及外形尺寸
公稱通徑  | 外形尺寸(參考值)  | 法蘭尺寸和螺栓孔尺寸(標準值)  | ||||||||||
H  | H1  | Zui大長度  | Zui小長度  | 設計長度  | A  | B  | 0.6MPa  | |||||
mm  | in  | D  | D1  | D2  | n-d  | |||||||
50  | 2  | 80  | 309  | 164  | 138  | 151  | 180  | 200  | 140  | 110  | 88  | 4-14  | 
65  | 21/2  | 95  | 337  | 190  | 154  | 172  | 180  | 200  | 160  | 130  | 108  | 4-14  | 
80  | 3  | 98  | 347  | 198  | 166  | 182  | 180  | 200  | 190  | 150  | 124  | 4-18  | 
100  | 4  | 114  | 373  | 228  | 188  | 208  | 180  | 200  | 210  | 170  | 144  | 4-18  | 
125  | 5  | 128  | 405  | 240  | 204  | 550  | 180  | 200  | 240  | 200  | 174  | 8-18  | 
150  | 6  | 139  | 440  | 246  | 206  | 226  | 270  | 280  | 265  | 225  | 199  | 8-18  | 
200  | 8  | 174  | 612  | 265  | 219  | 242  | 400  | 425  | 320  | 280  | 254  | 8-18  | 
250  | 10  | 215  | 693  | 295  | 240  | 267  | 400  | 425  | 375  | 335  | 309  | 12-18  | 
300  | 12  | 245  | 747  | 308  | 265  | 282  | 450  | 560  | 440  | 395  | 363  | 12-22  | 
350  | 14  | 270  | 802  | 327  | 272  | 300  | 450  | 560  | 490  | 445  | 413  | 12-22  | 
400  | 16  | 305  | 991  | 368  | 308  | 338  | 535  | 580  | 540  | 495  | 163  | 16-22  | 
450  | 18  | 325  | 1037  | 370  | 310  | 340  | 535  | 580  | 595  | 550  | 518  | 16-22  | 
500  | 20  | 360  | 1127  | 392  | 332  | 362  | 535  | 580  | 645  | 600  | 568  | 20-22  | 
600  | 24  | 445  | 1377  | 441  | 375  | 408  | 570  | 660  | 755  | 705  | 667  | 20-26  | 
700  | 28  | 505  | 1496  | 460  | 400  | 430  | 750  | 550  | 860  | 810  | 772  | 24-26  | 
800  | 32  | 560  | 1584  | 499  | 445  | 475  | 750  | 550  | 975  | 920  | 878  | 24-30  | 
900  | 36  | 630  | 1676  | 520  | 460  | 490  | 750  | 550  | 1075  | 1020  | 978  | 24-30  | 
1000  | 40  | 680  | 1760  | 600  | 530  | 565  | 900  | 750  | 1175  | 1120  | 1078  | 28-30  | 
1200  | 48  | 795  | 2018  | 675  | 571  | 623  | 1000  | 925  | 1405  | 1340  | 1295  | 32-33  | 
1400  | 56  | 900  | 2363  | 760  | 683  | 722  | 1000  | 925  | 1630  | 1560  | 1510  | 36-36  | 
1600  | 64  | 1100  | 2723  | 860  | 770  | 815  | 1000  | 925  | 1830  | 1760  | 1710  | 40-36  | 
1800  | 72  | 1124  | 2844  | 930  | 830  | 880  | 1100  | 980  | 20475  | 1970  | 1718  | 44-39  | 
2000  | 80  | 1292  | 3127  | 1020  | 920  | 970  | 1100  | 980  | 2265  | 2180  | 2125  | 48-42  | 
相關新聞